凱基特齒輪轉速傳感器核心部件是采用磁敏電阻作為檢測的元件,再經過全新的信號處理電路令噪聲降低,功能更完善。通過與其它類型齒轉速傳感器的輸出波形對比,所測到轉速的誤差極小以及線性特性具有很好的一致性.感應對象為磁性材料或導磁材料,如磁鋼、鐵和電工鋼等。當被測體上帶有凸起(或凹陷)的磁性或導磁材料,隨著被測物體轉動時,傳感器輸出與旋轉頻率相關的脈沖信號,達到測速或位移檢測的發訊目的。

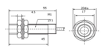
| 檢測距離 | 1.5mm |
| 輸出形式 | NPN/PNP 自動識別 |
| 輸出電流 | 50mA |
| 工作電壓 | 12-30VDC |
| 測量精度 | ±一個脈沖 |
| 消耗電流 | ≤15mA |
| 響應頻率 | 0Hz~33KHz |
| 適用模數 | 齒間距≥3mm |
| 環境溫度 | - 2 5℃~ 7 0℃ |





◇因傳感器內部有永磁體,安裝時應注意避免齒輪與傳感器頭之間因吸引而產生撞擊,而使傳感器損壞。
◇若周圍電磁干擾大,建議增接屏蔽線,即外殼接地。


